1) Áp suất tối đa của bu lông siêu đai ốc CY dưới tải tiêu chuẩn là 410MPa-890MPa và nó có thể hoạt động bình thường ở nhiệt độ 60 ℃ -200 ℃.
2) Siêu đai ốc CY rất phù hợp với mọi điều kiện làm việc của xiết bu lông cường độ cao, siết máy và đai ốc lục giác kích thước lớn. Thao tác đơn giản và dễ dàng tháo lắp.
3) CY Super Nuts chủ yếu được sử dụng trong bu lông nhiệt độ thấp, máy nén, máy bơm, mặt bích áp suất cao, hộp giảm tốc, hộp số, bánh răng tách, máy nghiền, máy móc quân sự, v.v.
4) CY Super Nuts có thể được đóng gói trong hai lớp, hộp nhôm-nhựa cộng với hộp gỗ. TorcStark dự trữ một số lượng lớn CY Super Nuts, có thể được vận chuyển ngay lập tức. Thời gian vận chuyển tùy thuộc vào phương thức vận chuyển, thời gian ngắn nhất là 3-5 ngày. TorcStark cung cấp bảo hành sản phẩm một năm.
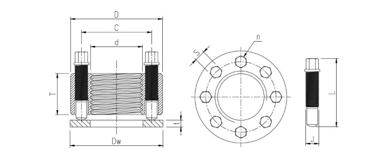
Bản vẽ kĩ thuật
.png)
.png)
.png)
Từ khoá tìm kím : CY-M20;CY-M24;CY-M27;CY-M30;CY-M33;CY-M36;CY-M39;CY-M42;CY-M45;CY-M48;CY-M52;CY-M56;CY-M60;CY-M64;CY-M72;CY-M80;CY-M90;CY-M100;CY-M110;CY-M120;CY-M140;CY-M160
1) Áp suất tối đa của bu lông siêu đai ốc CY dưới tải tiêu chuẩn là 410MPa-890MPa và nó có thể hoạt động bình thường ở nhiệt độ 60 ℃ -200 ℃.
2) Siêu đai ốc CY rất phù hợp với mọi điều kiện làm việc của xiết bu lông cường độ cao, siết máy và đai ốc lục giác kích thước lớn. Thao tác đơn giản và dễ dàng tháo lắp.
3) CY Super Nuts chủ yếu được sử dụng trong bu lông nhiệt độ thấp, máy nén, máy bơm, mặt bích áp suất cao, hộp giảm tốc, hộp số, bánh răng tách, máy nghiền, máy móc quân sự, v.v.
4) CY Super Nuts có thể được đóng gói trong hai lớp, hộp nhôm-nhựa cộng với hộp gỗ. TorcStark dự trữ một số lượng lớn CY Super Nuts, có thể được vận chuyển ngay lập tức. Thời gian vận chuyển tùy thuộc vào phương thức vận chuyển, thời gian ngắn nhất là 3-5 ngày. TorcStark cung cấp bảo hành sản phẩm một năm.
Bản vẽ kĩ thuật
.png)
.png)
.png)
Từ khoá tìm kím : CY-M20;CY-M24;CY-M27;CY-M30;CY-M33;CY-M36;CY-M39;CY-M42;CY-M45;CY-M48;CY-M52;CY-M56;CY-M60;CY-M64;CY-M72;CY-M80;CY-M90;CY-M100;CY-M110;CY-M120;CY-M140;CY-M160
1) Áp suất tối đa của bu lông siêu đai ốc CY dưới tải tiêu chuẩn là 410MPa-890MPa và nó có thể hoạt động bình thường ở nhiệt độ 60 ℃ -200 ℃.
2) Siêu đai ốc CY rất phù hợp với mọi điều kiện làm việc của xiết bu lông cường độ cao, siết máy và đai ốc lục giác kích thước lớn. Thao tác đơn giản và dễ dàng tháo lắp.
3) CY Super Nuts chủ yếu được sử dụng trong bu lông nhiệt độ thấp, máy nén, máy bơm, mặt bích áp suất cao, hộp giảm tốc, hộp số, bánh răng tách, máy nghiền, máy móc quân sự, v.v.
4) CY Super Nuts có thể được đóng gói trong hai lớp, hộp nhôm-nhựa cộng với hộp gỗ. TorcStark dự trữ một số lượng lớn CY Super Nuts, có thể được vận chuyển ngay lập tức. Thời gian vận chuyển tùy thuộc vào phương thức vận chuyển, thời gian ngắn nhất là 3-5 ngày. TorcStark cung cấp bảo hành sản phẩm một năm.
Bản vẽ kĩ thuật
.png)
.png)
.png)
Từ khoá tìm kím : CY-M20;CY-M24;CY-M27;CY-M30;CY-M33;CY-M36;CY-M39;CY-M42;CY-M45;CY-M48;CY-M52;CY-M56;CY-M60;CY-M64;CY-M72;CY-M80;CY-M90;CY-M100;CY-M110;CY-M120;CY-M140;CY-M160